专注工业位置测量产品以及解决方案的供应商

+86 21-39520660

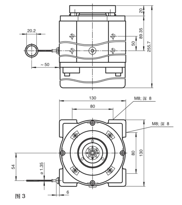
拉线编码器 SL8015

测量范围:0 m ... 15 m

移动速度:最大 4 m/s

加速度:最大 40 m/s2

滚轮周长:334.1 mm

线性误差:类型 0,1 % / 0,5 %

电气接口:增量式 / TTL / RS-422/绝对值编码器可选

  • 技术参数
  • 安装尺寸

一般特性

  • 移动速度:最大 4 m/s
  • 加速度:最大 40 m/s2
  • 滚轮周长:334.1mm
  • 线性误差:类型 0,1 % / 0,5 %
  • 分辨率:334.1 mm / 所安装编码器的单圈分辨率
  • 轴的尺寸:6 mm x 10 mm , 伺服法兰
  • 拉绳直径:1,35 mm
  • 缆绳张力:10 ... 21 N
  • 防护等级:IP65
  • 材料:
  • 外壳:氧化铝
  • 带:不锈钢1.4401/316
  • 重量:3500 g
  • 生命周期:106 圈
  • 环境温度:-30 ... 70 °C (-22 ... 158 °F)
  • 抗冲击:25 g